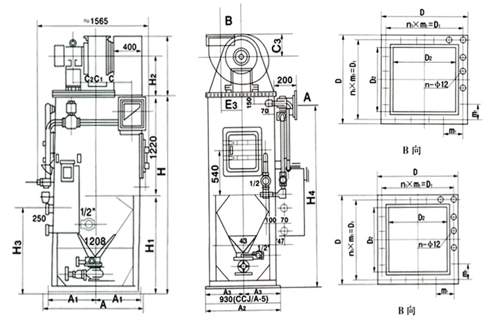
| 型號規格 | 進口風速(m/s) | 處理風量(m3/h) | 阻力(kg/m2) | 耗水量(t/h) | 效率(%) | 外型尺寸(長×寬×高) | 重量(kg) |
| CCJ/A-5 | 18 | 5000 | 100-160 | 0.16 | 99 | 1568×1284×3124 | 809 |
| CCJ/A-7 | 7000 | 0.23 | 1568×1634×3240 | 1058 | |||
| CCJ/A-10 | 10000 | 0.33 | 1568×2012×3579 | 1212 | |||
| CCJ/A-14 | 14000 | 0.46 | 1956×2600×4828 | 2430 | |||
| CCJ/A-20 | 20000 | 0.66 | 2573×2600×4828 | 3370 | |||
| CCJ/A-30 | 30000 | 0.98 | 3279×2600×4828 | 4132 | |||
| CCJ/A-40 | 40000 | 1.32 | 4200×2250×5196 | 5239 | |||
| CCJ/A-60 | 60000 | 1.97 | 5913×2250×5566 | 6984 |


冀公網安備13098102000363號